![]()
마그네틱 스케일 →

Mercury II 1600 스케일 장점 (광학 반사식)
|
|
|
|
|
|
|
용 도
|
|
길이측정 장비 외 . . .
|
|
|
|
성능 및 사양
|
|
|
※ 광학 반사식 이므로 먼지가 많은 곳에 사용하려면 마그네틱 스케일을 사용 바랍니다.
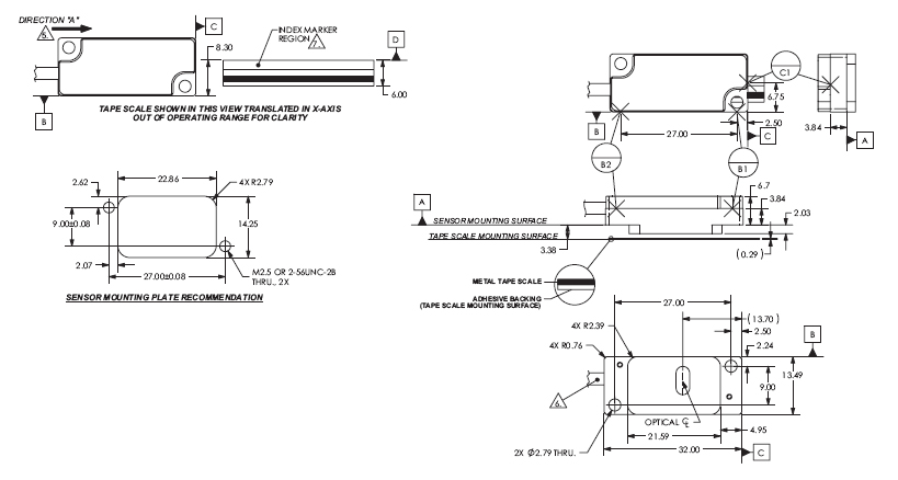
조립 참고 도면

|
사 무 실 : 대전시 대덕구 대화로 160, 14동 210호 (대화동, 대전산업용재유통상가) 전화 070-8247-0036 , Fax 02-6918-4020 E-mail 주소: higens@higens.kr |